Cabezal de botón Bolt hexagonal
1.Tornillos de cabeza del botón Hexagon GBT 70.2 Hexagon
2. Fabricante de Bolt de fuga, Fábrica propia: con ventaja de precio, eliminando la diferencia de precio de los intermediarios.
3. Adopta el acero engrosado de alta calidad de la industria, alta estabilidad y durabilidad duradera.
4.Ponporta la personalización del cliente.
5. Servicio de ventas y posvisas profesionales, bienvenido a preguntar en cualquier momento.
6. Deliveridad a tiempo.
Button Head Hex Bolt: la solución ideal para la fijación segura
Cabezal de botón Bolt hexagonales un componente de fijación esencial conocido por su bajo perfil, diseño de cabeza redondeada y rendimiento excepcional en diversas aplicaciones industriales. ElCabezal de botón Bolt hexagonalCombina la fuerza de un perno hexadecimal con las ventajas estéticas y funcionales de una cabeza redondeada en forma de botón. Este tipo de perno es ideal para asegurar piezas en lugares donde el espacio libre es limitado, proporcionando una apariencia ordenada de bajo perfil mientras se mantiene un fuerte rendimiento mecánico.
Fotos
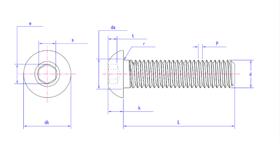
Dibujo de productos
Por qué elegirBotón Head Hex Bolts?
Diseño simplificado para la eficiencia del espacio
ElCabezal de botón Bolt hexagonalestá diseñado con una cabeza redondeada y de bajo perfil, lo que lo hace ideal para espacios estrechos donde los pernos hexagonales convencionales serían demasiado voluminosos. Su diseño compacto le permite caber en áreas confinadas sin sobresalir, ofreciendo una superficie suave y uniforme, lo cual es especialmente beneficioso en las aplicaciones que requieren un acabado limpio.Estética mejorada
La forma elegante y uniforme delCabezal de botón Bolt hexagonalcontribuye a la estética general del ensamblaje. Estos pernos se usan con frecuencia en aplicaciones donde la apariencia es importante, como los proyectos de maquinaria automotriz, muebles y de maquinaria personalizados, a medida que crean un aspecto profesional y pulido.Fiesta fuerte y segura
A pesar de su cabeza redondeada, laCabezal de botón Bolt hexagonalno compromete la fuerza. El diseño hexagonal del Bolt permite que se aprieta con una llave inglesa o enchufe, asegurando una conexión segura y firme. Esto lo convierte en una excelente opción para aplicaciones donde la vibración y el estrés mecánico son factores.Opciones de resistencia a la corrosión
MuchosBotón Head Hex Boltsestán disponibles con recubrimientos como enchapado de zinc, óxido negro o acero inoxidable, que brindan protección contra la corrosión. Esta resistencia adicional es esencial para aplicaciones expuestas a humedad, productos químicos o condiciones climáticas extremas.
Características deBotón Head Hex Bolts
Diseño de cabeza redondeada de bajo perfil
La característica definitoria delCabezal de botón Bolt hexagonalEs su cabeza redondeada, que ofrece un acabado suave con una protrusión mínima. Esto lo hace ideal para aplicaciones donde la autorización es un problema, y la cabeza del Bolt no debe interferir con las partes circundantes.Fácil instalación y eliminación
El zócalo hexagonal delCabezal de botón Bolt hexagonalPermite una fácil instalación y eliminación utilizando herramientas hexagonales estándar, como un controlador de llave de llave o enchufe. Esto asegura que los pernos se puedan fijar de forma segura y luego deshacerse sin dificultad, incluso en espacios estrechos.Durabilidad y fuerza
ElCabezal de botón Bolt hexagonalestá hecha a partir de materiales duraderos como acero al carbono, acero de aleación o acero inoxidable, lo que garantiza su resistencia y resistencia al estrés mecánico. Estos pernos están diseñados para soportar cargas pesadas y proporcionar una confiabilidad duradera en entornos exigentes.Versatilidad en todas las industrias
Ya sea que se use en automotriz, construcción, maquinaria o fabricación de muebles, elCabezal de botón Bolt hexagonaldemuestra ser un sujetador versátil y confiable. Se usa comúnmente en situaciones donde las consideraciones estéticas y la resistencia mecánica deben estar equilibradas.
Aplicaciones deBotón Head Hex Bolts
Industria automotriz
En el sector automotriz,Botón Head Hex Boltsse utilizan para asegurar los componentes del motor, el chasis y la carrocería. Su cabeza de bajo perfil asegura que no interfieran con otras partes, mientras que su fuerza asegura una firme en espera en las aplicaciones de alto estrés.Construcción y maquinaria pesada
Los proyectos de construcción y la maquinaria pesada requieren sujetadores que ofrecen resistencia y eficiencia del espacio.Botón Head Hex Boltsse usan comúnmente en estas industrias para asegurar piezas de maquinaria, componentes estructurales y equipos, donde se requiere una solución de fijación segura y compacta.Muebles personalizados
Botón Head Hex Boltsson populares en la fabricación de muebles personalizados, ya que permiten uniones fuertes y seguras con una visibilidad mínima. Su cabeza redondeada a menudo se usa en diseños de muebles donde la estética y la funcionalidad deben coexistir.Conjuntos electrónicos y eléctricos
Para dispositivos electrónicos y conjuntos eléctricos,Botón Head Hex Boltsson ideales debido a su capacidad para proporcionar una fijación segura sin obstruir otros componentes. Se utilizan en los circuitos electrónicos, recintos de equipos y maquinaria.Aeroespacial y aviación
La industria aeroespacial usaBotón Head Hex Boltspara asegurar componentes críticos en aviones. Su diseño de bajo perfil y duradero asegura que se mantengan en condiciones extremas, lo que los hace adecuados para aplicaciones de alto rendimiento en tecnología aeroespacial.
Beneficios de usarBotón Head Hex Bolts
Perfil de la cabeza reducido para espacios apretados
La cabeza redondeada y con forma de botón permiteCabezal de botón Bolt hexagonalser utilizado en espacios confinados sin obstaculizar las partes circundantes. Este perfil reducido lo convierte en una opción ideal cuando se trabaja con maquinaria o conjuntos compactos con espacio libre limitado.Opciones resistentes a la corrosión disponibles
Para su uso en entornos al aire libre o duros, muchosBotón Head Hex Boltsestán disponibles en acabados resistentes a la corrosión. Opciones como acero inoxidable o versiones recubiertas aseguran un rendimiento a largo plazo incluso en condiciones desafiantes.Facilidad de mantenimiento
Botón Head Hex Boltsson fáciles de mantener debido a su diseño y compatibilidad simples con herramientas estándar. Si se necesitan reparaciones o ajustes, estos pernos se pueden quitar y reemplazar rápidamente, lo que ayuda a minimizar el tiempo de inactividad en aplicaciones industriales.
Conclusión: elijaBotón Head Hex Boltspara una fijación fuerte y segura
Cuando se trata de asegurar componentes en espacios estrechos, equilibrar la fuerza y la apariencia, o lograr una fijación limpia y de bajo perfil,Botón Head Hex Boltsson la solución ideal. Con su construcción duradera, versatilidad en todas las industrias y la facilidad de instalación, proporcionan una solución de fijación confiable y eficiente.





