Pernos de brida de cabeza hexagonal
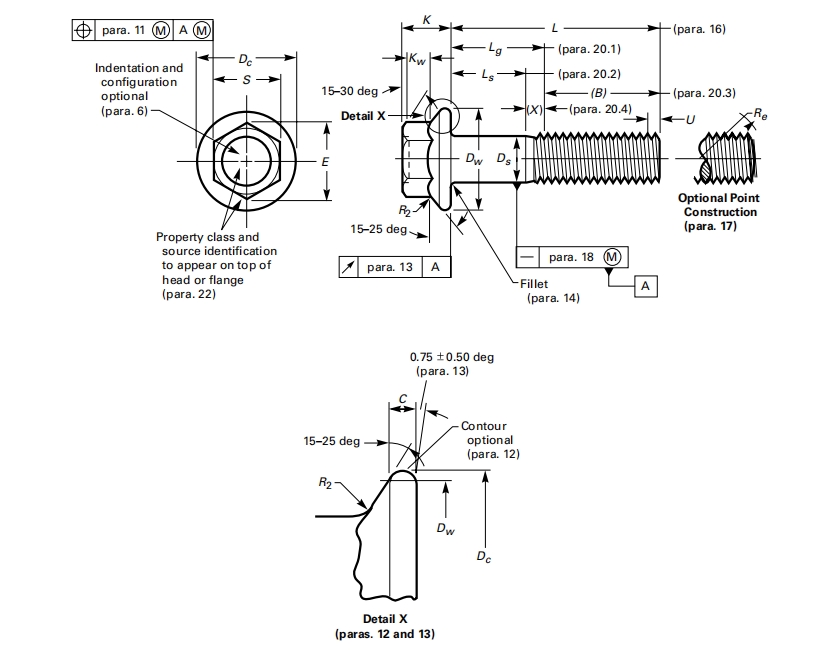
1.ASME / ANSI B18.2.3.9M Pernos de brida hexagonal pesada
2. Fabricante de pernos de origen, fábrica propia: con ventaja de precio, eliminando la diferencia de precio de los intermediarios.
3. Adopte el acero engrosado de alta calidad superior de la industria, alta estabilidad y durabilidad duradera.
4. Admite la personalización del cliente.
5. Servicio profesional de ventas y postventa, bienvenido a consultar en cualquier momento.
6. Entrega a tiempo.
Tornillos de brida de cabeza hexagonal: la solución definitiva para una fijación segura y duradera
🛠️ ¿Qué son los pernos de brida de cabeza hexagonal?
Tornillos de brida de cabeza hexagonal son sujetadores especializados que combinan las características de los pernos de cabeza hexagonal y los pernos de brida. Estos pernos tienen una cabeza hexagonal, que proporciona un fuerte agarre para las herramientas durante la instalación, y una base en forma de brida, que ayuda a distribuir la carga sobre un área de superficie más amplia. Este diseño único hace que Tornillos de brida de cabeza hexagonal Una solución ideal para aplicaciones de servicio pesado donde es esencial una fijación segura y duradera.
Cumpliendo con los estándares internacionales como DE, ISOy ASTM, Tornillos de brida de cabeza hexagonal Son ampliamente utilizados en industrias como la construcción, automotriz, marina y maquinaria pesada. Proporcionan una solución fiable y rentable para la fijación de componentes que están sometidos a altas tensiones, presiones o vibraciones.
🔍 Características clave de los pernos de brida de cabeza hexagonal
Diseño de cabeza hexagonal: La cabeza hexagonal proporciona una superficie segura y estable para el desgarro, lo que garantiza la facilidad de instalación y una fijación fiable.
Base de brida: La brida en la base del perno ayuda a distribuir la carga sobre una superficie más grande, reduciendo el riesgo de deformación del material y asegurando una conexión uniforme y segura.
Resistencia a la corrosión: Fabricado con materiales de alta calidad como acero inoxidable, acero al carbono y acero aleado, Tornillos de brida de cabeza hexagonal Son resistentes a la corrosión, el óxido y el desgaste, lo que los hace adecuados tanto para aplicaciones en interiores como en exteriores.
Versatilidad: Estos pernos son versátiles y se pueden utilizar en una amplia gama de aplicaciones, desde entornos de baja a alta presión, proporcionando conexiones seguras en muchas industrias.
Alta resistencia: La combinación del diseño de la brida y los materiales de alta calidad garantiza que Tornillos de brida de cabeza hexagonal Pueden soportar fuerzas significativas, lo que los hace ideales para aplicaciones estructurales y mecánicas.
🌟 Beneficios de usar pernos de brida de cabeza hexagonal
Distribución de carga mejorada:El base de brida de estos pernos ayuda a distribuir la carga de manera más uniforme a través de la superficie, evitando daños localizados y mejorando la resistencia general de la conexión.
Facilidad de instalación:El cabeza hexagonal Permite una fácil instalación con una llave, lo que proporciona más torque para una conexión segura.
Durabilidad mejorada: Tornillos de brida de cabeza hexagonal están diseñados para ser resistentes y duraderos, ofreciendo un rendimiento duradero incluso en entornos hostiles.
Sellos a prueba de fugas: Cuando se utiliza junto con conexiones bridadas, Tornillos de brida de cabeza hexagonal Proporcionar sellos a prueba de fugas, que son críticos en aplicaciones como tuberías y recipientes a presión.
Rentable: A pesar de su alta resistencia y durabilidad, Tornillos de brida de cabeza hexagonal son asequibles, lo que los convierte en una opción atractiva tanto para uso industrial como comercial.
🧳 Aplicaciones de los pernos de brida de cabeza hexagonal
Tornillos de brida de cabeza hexagonal se utilizan en diversas industrias y aplicaciones donde se requiere una sujeción segura, duradera y rentable. Algunos usos comunes incluyen:
Industria Automotriz: En la fabricación de automóviles, Tornillos de brida de cabeza hexagonal se utilizan en motores, sistemas de escape y ensamblajes de carrocería para asegurar componentes bajo alta tensión.
Construcción: Estos pernos son esenciales en la industria de la construcción para sujetar componentes estructurales, como vigas de acero, columnas y elementos de puentes, lo que garantiza estabilidad y resistencia.
Industria Marítima: Tornillos de brida de cabeza hexagonal se utilizan en la industria marina para asegurar partes de barcos, plataformas en alta mar y otras estructuras marinas donde la resistencia a la corrosión y la confiabilidad son cruciales.
Petróleo y gas: En la industria del petróleo y el gas, Tornillos de brida de cabeza hexagonal se utilizan en tuberías, plataformas de perforación y recipientes a presión, donde ayudan a garantizar conexiones seguras en entornos de alta presión.
Maquinaria pesada: Estos pernos se usan comúnmente en maquinaria pesada y equipos industriales, donde ayudan a mantener la integridad de componentes críticos sujetos a vibraciones y altas cargas.
🌍 ¿Por qué elegir pernos de brida de cabeza hexagonal para su proyecto?
Conexiones seguras y confiables:El cabeza hexagonal garantiza un agarre estable para las llaves durante la instalación, mientras que el Reborde Ayuda a distribuir la carga de manera uniforme, lo que resulta en una conexión más segura.
Duradero en condiciones adversas: Fabricado con materiales de alta calidad, Tornillos de brida de cabeza hexagonal Resisten la corrosión, el óxido y el desgaste, lo que los hace ideales para aplicaciones tanto en interiores como en exteriores, incluso en condiciones climáticas adversas.
Versatilidad en todas las industrias: Ya sea que se encuentre en la construcción, automotriz, marina o maquinaria pesada, Tornillos de brida de cabeza hexagonal Se puede utilizar en varias industrias por su rendimiento confiable.
Solución rentable: A pesar de su durabilidad y resistencia, estos pernos son asequibles, lo que los convierte en una solución de fijación rentable para proyectos a gran escala o fabricación de gran volumen.
🛒 ¿Dónde comprar pernos de brida de cabeza hexagonal?
Minoristas en línea: Varios minoristas en línea ofrecen una amplia gama de Tornillos de brida de cabeza hexagonal, lo que le permite comparar precios y encontrar las mejores ofertas. Muchas plataformas también ofrecen reseñas de clientes para ayudar a guiar su compra.
Tiendas de suministros industriales: Las tiendas locales de suministros industriales son excelentes lugares para encontrar Tornillos de brida de cabeza hexagonal, especialmente para necesidades especializadas o a gran escala.
Distribuidores de sujetadores: Si necesita cantidades a granel o tamaños específicos, los distribuidores de sujetadores pueden proporcionar soluciones personalizadas y garantizar la entrega oportuna de su proyecto.
Fabricantes:Adquisitivo Tornillos de brida de cabeza hexagonal Directamente del fabricante garantiza el control de calidad y puede proporcionarle precios al por mayor para proyectos grandes.
Tornillos de brida de cabeza hexagonal están diseñados para aplicaciones de alta resistencia en las que la fijación y la distribución de la carga fiables son esenciales. Con su combinación única de un cabeza hexagonal y base de brida, estos pernos proporcionan conexiones seguras y duraderas en una amplia gama de industrias, desde la construcción hasta las aplicaciones automotrices y marinas. Fabricado con materiales de alta calidad como el acero inoxidable y el acero al carbono, Tornillos de brida de cabeza hexagonal Ofrecen resistencia a la corrosión y al desgaste, lo que los hace ideales para entornos hostiles. Ya sea que esté trabajando con tuberías, maquinaria pesada o componentes estructurales, Tornillos de brida de cabeza hexagonal son la solución perfecta para un rendimiento duradero.



Dibujo del producto



