Pernos de brida hexagonales pesados ASME/ANSI B18.2.3.9M
producto: Pernos de brida hexagonal pesados ASME/ANSI B18.2.3.9M
Clase de propiedad: 4.6,4.8,5.6,5.8,8.8,10.9,12.9,
A2-70, A4-70,A4-80
Acabado: Galvanizado (zinc amarillo, azul zinc, color de enjuague), negro, fosfato y aceite, fosfato de zinc, galvanizado en caliente (HDG), Dacromet, Geomet
Material: acero
País de exportación: EE. UU., Japón, Australia, Europa, etc.
Personalización del cliente de soporte
Los pernos de brida para conexiones de estructuras de acero se pueden dividir en más de 10 grados según sus grados de rendimiento, incluidos 3.6, 4.6, 4.8, 5.6, 6.8, 8.8, 9.8, 10.9 y 12.9.
Fotos
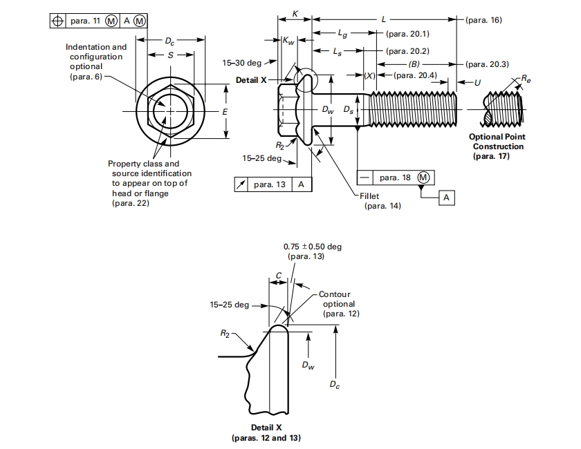
Dibujo del producto
Especificaciones del producto
Tamaño |
M5 |
M6 |
M8 |
M10 |
M12 |
M14 |
M16 |
M20 |
|
PAG |
0,8 |
1.0 |
1.25 |
1.5 |
1,75 |
2.0 |
2.0 |
2.5 |
|
Washington |
máximo |
9.25 |
11.56 |
15.02 |
17.33 |
20,79 |
24.26 |
27,72 |
34,65 |
mín. |
9.24 |
11.55 |
15.01 |
17.32 |
20,78 |
24.25 |
27,71 |
36,64 |
|
Ejército de reserva |
máximo |
2.40 |
2.70 |
3.60 |
4.60 |
5.20 |
6.30 |
7.10 |
8.80 |
mín. |
2.39 |
2.69 |
3.59 |
4.59 |
5.19 |
6.29 |
7.09 |
8.79 |
|
Wb |
máximo |
8.55 |
10,79 |
14.07 |
16.31 |
19.67 |
22,57 |
25,93 |
32,65 |
mín. |
8.54 |
10.78 |
14.06 |
16.30 |
19.66 |
22,56 |
25,92 |
32,64 |
|
Tb mín. |
3.0 |
3.0 |
4.0 |
4.0 |
5.0 |
5.0 |
6.0 |
6.0 |
|
ds |
máximo |
5.0 |
6.0 |
5.0 |
10.0 |
12.0 |
14.0 |
16.0 |
20.0 |
mín. |
4.82 |
5.82 |
7,78 |
9,78 |
11.73 |
13.73 |
15,73 |
19.67 |
|
S |
máximo |
8.0 |
10.0 |
13.0 |
15.0 |
18.0 |
21.0 |
24.0 |
30.0 |
mín. |
7.64 |
9.64 |
12.57 |
14.57 |
17.57 |
20.16 |
23.16 |
29.16 |
|
mi |
máximo |
9.24 |
11.55 |
15.01 |
17.32 |
20,78 |
24.25 |
27,71 |
36,64 |
mín. |
8.56 |
10.8 |
14.08 |
16.32 |
19,68 |
22,58 |
25,94 |
32,66 |
|
CC máx. |
11.8 |
14.2 |
18.0 |
22.3 |
26.6 |
30,5 |
35.0 |
43.0 |
|
Dw min |
9.8 |
12.2 |
15.8 |
19.6 |
23.8 |
27,6 |
31,9 |
39,9 |
|
C mín. |
1.0 |
1.1 |
1.25 |
1.5 |
1.8 |
2.1 |
2.4 |
3.0 |
|
K máx. |
5.8 |
6.6 |
8.1 |
10.4 |
11.8 |
13.73 |
15.4 |
18.9 |
|
Kwmín |
2.40 |
2.7 |
3.60 |
4.60 |
5.20 |
6.30 |
7.10 |
8.80 |
|
R2 máx. |
0.3 |
0,4 |
0,5 |
0,6 |
0,7 |
0,9 |
1.0 |
1.2 |
|
Personalización del cliente de soporte |
|||||||||
Alguna introducción sobre nuestra empresa.
Solicitud
Nuestros productos son ampliamente utilizados en mecánica, electricidad, automoción, construcción de edificios, ferrocarriles, puentes, barcos de vapor, sistemas de comunicación y protección contra incendios, etc.
Taller
Certificación
A través de una gestión científica, Jinan Star Fastener Co., Ltd. obtuvo la versión 2015 de la certificación del sistema de gestión de calidad ISO9001. En 2018, la empresa obtuvo la certificación europea CE.
Equipo de pruebas
Nuestra empresa cuenta con un laboratorio especializado con durómetros digitales, microscopios, máquinas de prueba universales, medidores de fuerza axial, dispositivos de detección de fragilidad por hidrógeno, analizadores metalográficos, analizadores de carbono y azufre y máquinas de prueba de niebla salina, etc. Se utilizan equipos de prueba experimentales para completar el comportamiento. Probar la composición química de las materias primas, el espesor del recubrimiento y la resistencia a la corrosión para garantizar que todos los productos cumplan con los requisitos generales y satisfagan a los clientes.
Equipo de producción
Nuestra empresa cuenta con más de 300 equipos de producción. El proceso de producción del producto incluye: recocido, granallado, estampación en frío, laminado de roscas, tratamiento térmico, galvanizado, pruebas de productos terminados, embalaje, etc., todos se completan en la empresa.
Embalaje
Nuestro servicio:
1. Opciones de sujeción perfectas con 60 años de experiencia para solucionar sus problemas: gran decisión de piezas.
2. Personalice los mejores sujetadores: personalice las ofertas basándose totalmente en las muestras y dibujos proporcionados.
3. Rentabilidad: Amplia selección de piezas, suministradas mediante el uso de fábricas expertas y precios agresivos.
4. Calidad garantizada: verificación de robustez y boceto científico clave para mejorar la vida útil de los sujetadores.
5. Fabricante profesional: Todos nuestros sujetadores están diseñados y fabricados de acuerdo con las especificaciones y el rendimiento de los compradores.
Preguntas más frecuentes
1. ¿Puedo confiar en ti?
Nos especializamos en la producción de productos de fijación y nuestros productos se exportan a Australia, Japón, Alemania y otros países. Al mismo tiempo, mantenemos relaciones cooperativas amistosas a largo plazo con varios fabricantes.
2. ¿Qué tal su tiempo de entrega? En términos generales, si los artículos están en stock, podemos enviarlos dentro de 2 a 5 días, si el volumen es de 1 a 2 contenedores, podemos proporcionarle entre 18 y 25 días, si el volumen es más de 2 contenedores y usted está muy Si es urgente, podemos dejar que la unidad de fabricación dé prioridad a la fabricación de sus productos. /Muestra cuatro días. Para pedidos depende de la cantidad de su pedido 3. ¿Cuál es su embalaje? Podemos hacer el emblema del cliente en la caja. O personalizamos las cajas de acuerdo con las necesidades del consumidor.
4. ¿Puedo visitar su fábrica?
Ciertamente. Le invitamos a visitar nuestra fábrica en cualquier momento. Es mejor que contactes con nosotros antes de venir y nos hagas saber tu horario para que podamos recogerte en el aeropuerto o estación de tren.














